LZ10011手動火災報警按鈕防雨罩
一、LZ10011手動火災報警按鈕防雨罩產品概述
其它附件系列LZ10011手動火災報警按鈕防雨罩碳鋼材質。可壁掛安裝,也可與LZ1001立柱配套安裝,適用于在室外安裝J-SAM-GST9116手動火災報警按鈕。
表面防腐及顏色:要求各部件外露表面除銹后噴塑處理。
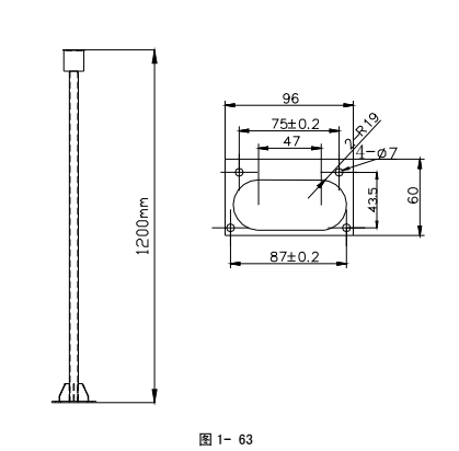
立柱鋼管規格:φ48.3*3.6820#;
防雨罩材質及規格:厚2mm,Q235b
底座孔徑尺寸:孔間距130mm,地腳螺栓規格M20。
LZ10011型防雨罩可采用壁掛式安裝,也可與LZ1001型立柱配套安裝。
二、LZ10011手動火災報警按鈕防雨罩安裝示意圖
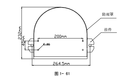
LZ10011型防雨罩壁掛安裝時需配用掛件進行安裝,壁掛安裝示意圖如圖1-61所示。

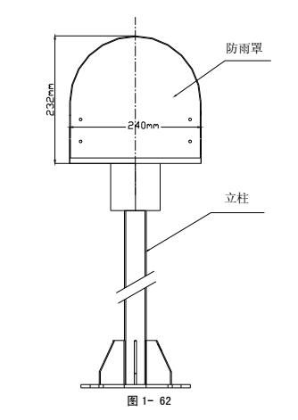
LZ10011型防雨罩與LZ1001型立柱配套安裝示意圖如圖1-62所示。

LZ1001型立柱外形示意圖如圖1-63所示。

布線要求:
本報警按鈕應用于ⅡB環境中,電纜引入裝置為橡膠密封圈型式。將截面積≥1mm2、外徑為φ8mm-φ10mm的屏蔽阻燃雙絞電纜穿過金屬墊圈和橡膠密封圈,將橡膠密封圈、金屬墊圈連同電纜一同旋進報警按鈕殼體,用扳手將密封圈壓緊對絲旋緊。
本報警按鈕也可應用于ⅡC環境中,但需使用隔爆型電纜密封套(填料函)作為引入裝置,安裝時,必須用填料函將電纜密封套填充,填充材料及填充方式符合防爆相關規定。
智淼君安(江蘇)消防工程技術有限公司http://www.jiangsaihua2008.cn/海灣消防公司主營:海灣消防報警系統銷售,消防設備安裝,海灣氣體滅火、海灣電氣火災、消防水噴淋系統施工安裝,售后維修,海灣消防網站:http://www.jiangsaihua2008.cn/;海灣消防服務熱線:4006-598-119
本頁關鍵詞:LZ10011手動火災報警按鈕防雨罩
上一篇:LZ10001手動火災報警按鈕防雨罩 下一篇:LZ10002手動火災報警按鈕防雨罩

蘇公網安備32058102002147號